* 图片仅供参考  请以实物为准
| 系列 | F系列-平面推力球轴承 | |||
| 型号 | F5-12M-平面推力球轴承 | |||
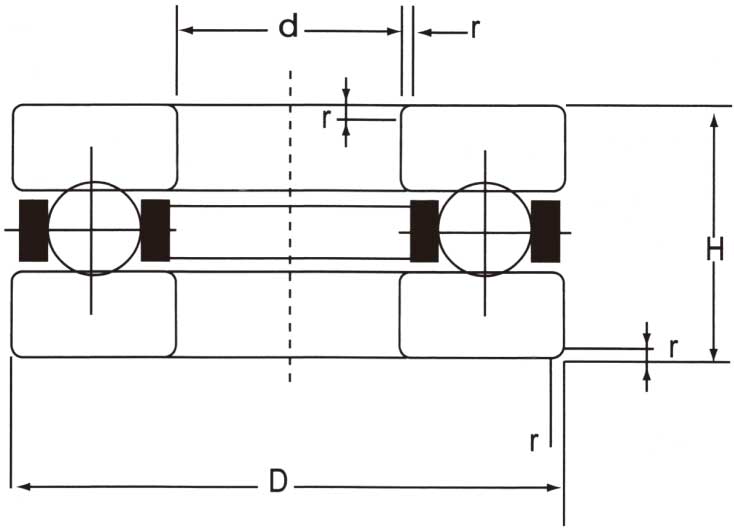
| 内径(mm) | 5 | |||
| 外径(mm) | 12 | |||
| 外轮内径 d1(mm) | 5.2 | |||
| 内轮外径 D1(mm) | 11.8 | |||
| 高度(mm) | 4 | |||
| 基本额定动负荷 Cr(N) | 988 | |||
| 基本额定静负荷 Cor(N) | 880 | |||
| 允许回转数 | 润滑脂 | *1000rpm | 5000 | |
| 润滑剂 | 8000 | |||
| * 本表格数据仅供参考,选择时请向飞升轴承咨询 | ||||

各类微型电机、散热风扇、仪器仪表、打印机、智能家居、精密仪器、机械设备、家用电器、医疗器械、鱼具、矿山机械、电梯及配件行业、精密机床等领域