* 图片仅供参考  请以实物为准
| 系列 | F系列-平面推力球轴承 | |||
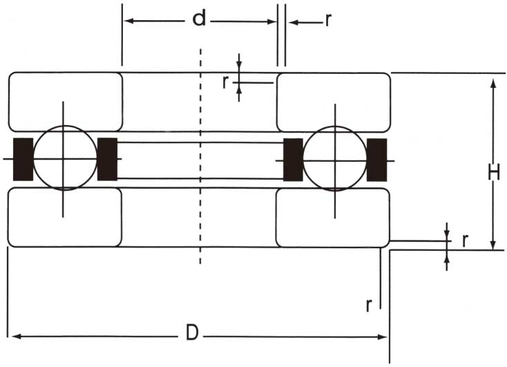
| 型号 | F7-15M-平面推力球轴承 | |||
| 内径(mm) | 7 | |||
| 外径(mm) | 15 | |||
| 外轮内径 d1(mm) | 7.2 | |||
| 内轮外径 D1(mm) | 14.8 | |||
| 高度(mm) | 5 | |||
| 基本额定动负荷 Cr(N) | 2200 | |||
| 基本额定静负荷 Cor(N) | 2000 | |||
| 允许回转数 | 润滑脂 | *1000rpm | 3600 | |
| 润滑剂 | 7100 | |||
| * 本表格数据仅供参考,选择时请向飞升轴承咨询 | ||||

各类微型电机、散热风扇、仪器仪表、打印机、智能家居、精密仪器、机械设备、家用电器、医疗器械、鱼具、矿山机械、电梯及配件行业、精密机床等领域