* 图片仅供参考  请以实物为准
| 系列 | F6系列-公制法兰轴承 | |||
| 型号 | F692xZZ-微型法兰轴承 | |||
| 内径(mm) | 2.5 | |||
| 外径(mm) | 7 | |||
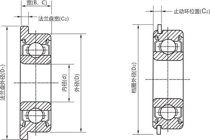
| 法兰外径(mm) | OPEN | 8.5 | ||
| ZZ | 8.5 | |||
| 宽度(mm) | OPEN | 2.5 | ||
| ZZ | 3.5 | |||
| 法兰宽度(mm) | OPEN | 0.7 | ||
| ZZ | 0.9 | |||
| 油脂率 | 25%~30% | |||
| * 本表格数据仅供参考,选择时请向飞升轴承咨询 | ||||
| 系列 | F6系列-公制法兰轴承 | |||
| 型号 | F692xZZ-法兰轴承 | |||
| 游隙(mm) | 最小值(mm) | 0.005 | ||
| 最大值(mm) | 0.013 | |||
| 材质 | 内圈 | Gcr15 | 检测标准 | GB-T 305-1998 |
| 外圈 | Gcr15 | GB-T 305-1998 | ||
| 钢球 | Gcr15 | GB-T 305-1998 | ||
| 防尘盖(ZZ) | SPCC/SUS | GB-T 305-1998 | ||
| 保持器(R) | SUS/MN | - | ||
| 油脂 | LY系列 | JB-T 8571-1997 | ||
| 耐高温(℃) | -50~150 | JB-T 8571-1997 | ||
| 基本额定动负荷 Cr(N) | 389 | |||
| 基本额定静负荷 Cor(N) | 129 | |||
| 允许回转数 | 润滑脂 | *1000rpm | 63 | |
| 润滑剂 | 75 | |||
| * 本表格数据仅供参考,选择时请向飞升轴承咨询 | ||||

各类微型电机、散热风扇、仪器仪表、打印机、智能家居、精密仪器、机械设备、家用电器、医疗器械、鱼具、矿山机械、电梯及配件行业、精密机床等领域